Integrated design evaluation of propulsion, electric power, and re-liquefaction system for large-scale liquefied hydrogen tanker
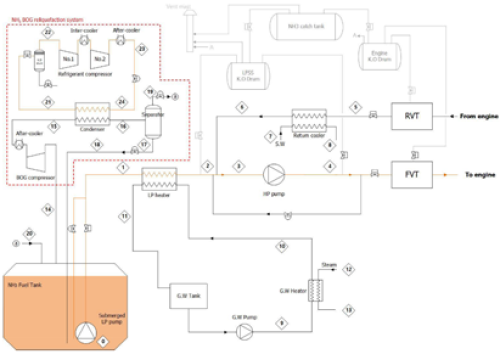
This study proposes the integrated designs of energy systems and a re-liquefaction system for ocean-going LH2 tankers. Five prospective energy systems (Systems A to E) are suggested, using LNG as fuel, and a re-liquefaction system with a Claude cycle is developed. Their economic value, technological feasibility, and environmental impact are evaluated. The re-liquefaction systems' exergy efficiency and specific energy consumption ranges were 26.79–46.27% and 3–7.45 kWh/kg, respectively. The re-..